阿里店铺
|
English
全国统一销售热线:
0577-61672227
网站首页
关于我们
企业简介
企业文化
经理致辞
组织机构
新闻资讯
企业新闻
行业动态
问题解答
产品中心
产品总汇
产品订购
资质荣誉
企业资质
产品证书
服务与支持
营销网络
招商代理
工程案例
客服中心
服务体系
品质保证
技术支持
人力资源
人才理念
招纳贤士
在线应聘
联系我们
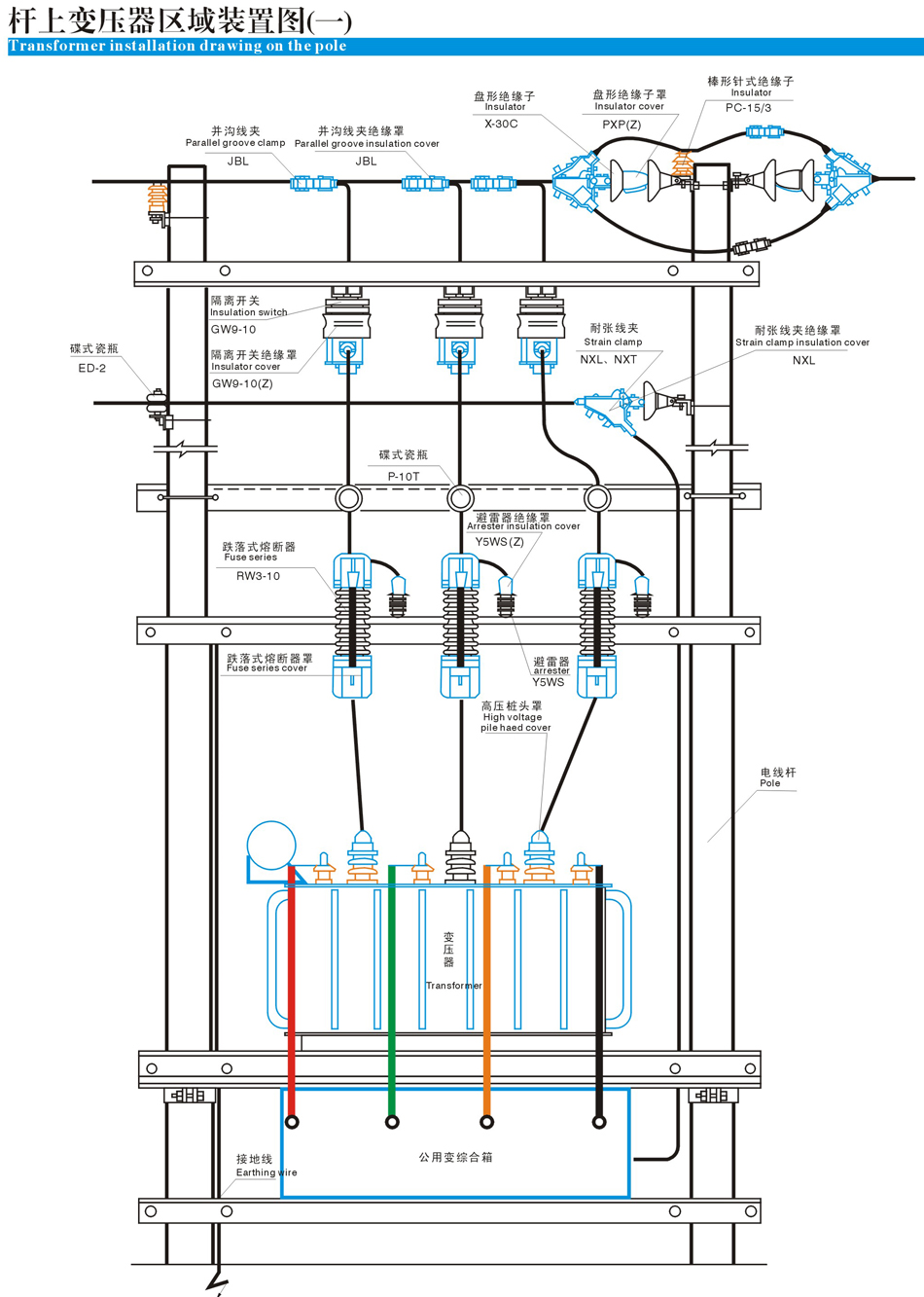
产品总汇>杆上变压器区域装置图
杆上变压器区域装置图
采购:杆上变压器区域装置图
联系人:
*
(必填项)
联系电话:
*
(必填项)
电子邮箱:
(如:abc@163.com)
订购产品:
数
量:
订购备注
:
*
相关产品
杆上变压器区域装置图
10KV架空绝缘线路耐张串装置图
绝缘罩(P-7、WS-7、SL、..
悬垂线夹(XJ)
铜单槽线夹(DCT)
钳型线夹及绝缘罩(JQT)
铝、铜铝过渡分支线夹及绝缘罩(J..
T型线夹及绝缘罩(TJL、TJT..
异型并沟线夹及绝缘罩(JBL、J..
跨径接户线夹及绝缘罩(JKG)
楔型线夹及绝缘罩(JXL)
接续管及绝缘罩(JY)
铝合金耐张线夹(NXH)
直线型铝合金耐张线夹(NLZ)
螺栓型铝合金耐张线夹及绝缘罩(N..
楔型耐张线夹及绝缘罩(NXT)
楔型铝合金耐张线夹及绝缘罩(NX..
XJG型悬垂线夹
四芯集束型耐张线夹(NXJ-A、..
楔型绝缘耐张线夹(NXJ、NXJ..
网站首页
关于我们
新闻资讯
产品中心
服务与支持
客服中心
联系我们
展开
收缩
QQ咨询
在线咨询
109311810
公司电话
0577-61672227
公司传真
0577-61672223
浙公网安备 33038202004047号